
Toyota Supra Jza80 Brake Master Cylinder Rebuild Kit 04493-30241 Genuine OEM
by Toyota
Save 20%
Original price
$198.05
Original price
$198.05
-
Original price
$198.05
Original price
$198.05
Current price
$158.44
$158.44
-
$158.44
Current price
$158.44
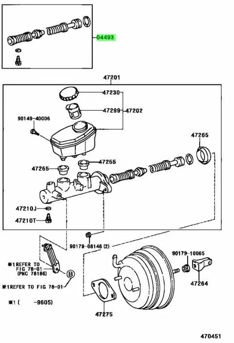
Brand New Genuine OEM Toyota Supra Jza80 Brake Master Cylinder Rebuild Kit Genuine OEM
OEM Part Number:
04493-30241
Suits Big Brake 4/2 Piston Master Cylinder.